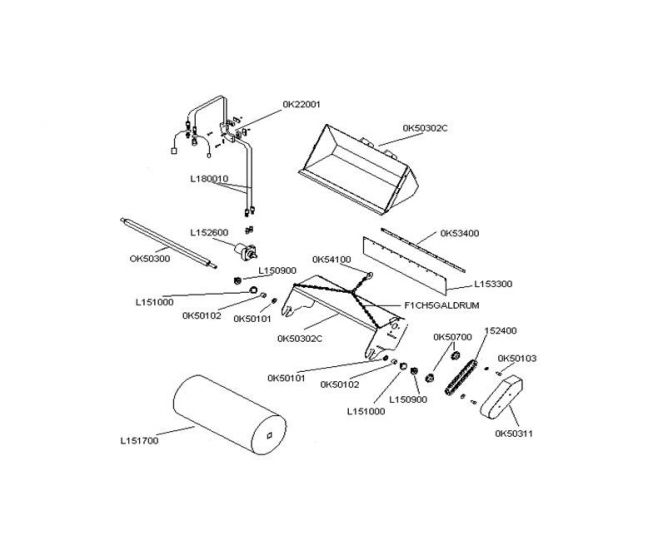
NO. PART # DESCRIPTION QTY
0K50101

NYLON SPACER

0K50102

SHAFT SPACER

0K50300

SHAFT

0K50302C

BROOM BUCKET UNI KANGA

0K50311

BROOM BUCKET CHAIN GUARD

0K50700

SPROCKET

0K53400

STRIP FLAP RETAINER 

0K54100

HOOK CHAIN

DL-000917

U BEAUT BRACKET WITH CLAMPS

L151000

BEARING

L151700

BRUSH BROOM 990 LONG

L152400

CHAIN ASSEMBLY

L152600

BUCKET BROOM MOTOR (TE023)

L153300

4-5mm INSERTION RUBBER 

L180010

HOSE KIT (INCLUDES X2 1665mm HOSES WITH FITTINGS)

CLICK HERE TO VIEW TERMS & CONDITIONS
COPYRIGHT © KANGALOADERS GLOBAL - ALL RIGHTS RESERVED